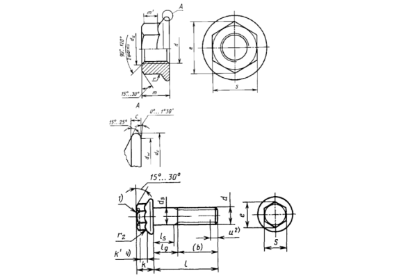
Изготовим гайки и болты с фланцем А по ГОСТ Р 50592-93, ГОСТ Р ИСО 4161-2013, ГОСТ Р 50274-92, ГОСТ Р 55739-2013, ГОСТ ISO 4162-2014. Имеем возможность изготовления любого диаметра резьбы, так же можем делать по чертежам. Заявки просьба отправлять на эл. почту.
Моб. +7(950)848-55-19 Раб. +7(991)086-37-37
https://rskrepeg.ru
rsk_161@mail.ru
ООО ТПК «СпецРусМетиз»
50592 , гост 50592, 50592 93, гост 50592 93, гост р 50592, гост р 50592 93, гайка 50592, гайка гост 50592, гайка 50592 93, гайка гост 50592 93, гайки гост 50592 93, гайка гост р 50592 93, 4161, гост 4161, исо 4161, 4161 1, гост исо 4161, р исо 4161, гост р исо 4161, 4161 10, 50274, гост 50274, 50274 92, гост 50274 92, гост р 50274, 55739, гост 55739, гост р 55739, болт 55739, 4162, iso 4162, гост iso 4162, гост 4162 2014, исо 4162